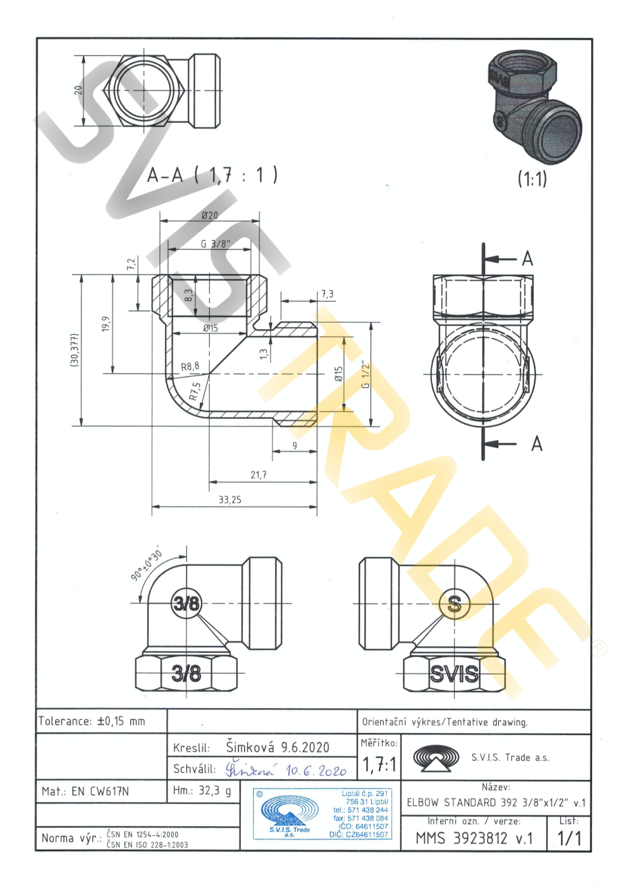
Opis
Gwintowana kształtka z mosiądzu, rodzaj – redukcja śrubunka z rurowym gwintem wewnątrz x zewnątrz, bez obróbki powierzchniowej. Gwinty łączące G są walcowe i szczelne w połączeniach według ISO 228-1. Wyprodukowana według normy EN 1254-4.
Uwaga! Śrubunek powinien być zamontowany jako całość, ponieważ części tych samych śrubunków, ale innych marek mogą nie być wykorzystywane zamiennie!
Zastosowanie:
Przeznaczone są do transportu wody (łącznie z wodą przeznaczoną na ludzkie potrzeby), powietrza, a także innych nieagresywnych mediów z najwyższym możliwym cisnieniem roboczym 1,6 MPa w temperaturze płynu od 0°C do +120°C.